Industrii
Echipamente de ventilație și aparate de uz casnic
• Echipamente de ventilație
-Ventilatoare cu flux axial
- Ventilatoare centrifuge
- Ventilatoare de acoperiș
• Aparate de uz casnic:
-Masini de spalat rufe
- Purificatoare de aer
- Ventilatoare de răcire
- Frigidere
Produse înrudite
×
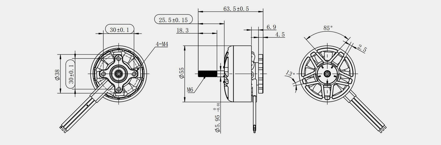
| Spec. electrice. | |||||||||||||||||||||||||
| Max. P (W) | Tensiune (V) | Max. eu. (A) | KV | Curent fără sarcină (A) | Rezistenta (mΩ) | Polonii | Dim. motor (mm) | Dim. stator. (mm) | Montare (mm) | N.W. (g) | Prop. (inch) | ||||||||||||||
| 1052 | 25~33,6 | 45 | 350 | 1.5 | 45 | 14 | φ55*38 | φ47*15 | M3-30*30 | 277 | 13" | ||||||||||||||
| Date de testare a impulsului | |||||||||||||||||||||||||
| Elice | Valoarea kV | Accelerație (%) | U (V) | eu (A) | N (RPM) | Put (W) | Pin (W) | Eficiență (G/W) | |||||||||||||||||
| GF1310*3 | 350kV | 30 | 25.13 | 0.304 | 1737.5 | 285 | 7.6 | 4.959 | |||||||||||||||||
| 35 | 25.1 | 1.128 | 2188.7 | 346.9 | 28.3 | 4.644 | |||||||||||||||||||
| 40 | 25.07 | 2.15 | 2586.8 | 395.4 | 53.9 | 4.6 | |||||||||||||||||||
| 45 | 25.01 | 3.905 | 3072.1 | 444.1 | 97.7 | 4.814 | |||||||||||||||||||
| 50 | 24.96 | 5.722 | 3427.8 | 469.5 | 142.8 | 5.128 | |||||||||||||||||||
| 55 | 24.9 | 7.707 | 3734.9 | 484.3 | 191.9 | 5.495 | |||||||||||||||||||
| 60 | 24.82 | 10.228 | 4070.8 | 494.1 | 253.9 | 5.973 | |||||||||||||||||||
| 65 | 24.7 | 13.866 | 4458 | 491.4 | 342.5 | 6.798 | |||||||||||||||||||
| 70 | 24.59 | 17.485 | 4785.6 | 481.2 | 429.9 | 7.62 | |||||||||||||||||||
| 75 | 24.45 | 21.663 | 5093.5 | 460.1 | 529.7 | 8.72 | |||||||||||||||||||
| 80 | 24.3 | 26.413 | 5384.7 | 428.8 | 641.8 | 10.186 | |||||||||||||||||||
| 85 | 24.13 | 31.418 | 5661.1 | 393.6 | 758.3 | 11.977 | |||||||||||||||||||
| 90 | 23.96 | 36.765 | 5909.1 | 352.2 | 880.9 | 14.277 | |||||||||||||||||||
| 95 | 23.75 | 42.922 | 6131.1 | 300.8 | 1019.5 | 17.8 | |||||||||||||||||||
| 100 | 23.7 | 44.411 | 6217.5 | 292.6 | 1052.3 | 18.591 | |||||||||||||||||||
6S 320kV 350kV 380kV motoare drone LN4715 1,5kg Forță de tracțiune
×
Purificator de aer 24VDC 40W Motor ventilator Motor ventilator de tavan seria wo60
Caracteristicile produsului:
Compatibil cu purificatoare de aer și ventilatoare de tavan
Consum redus de energie
Funcționare silențioasă pentru zgomot minim
Design de motor fiabil și eficient
Purificator de aer 24VDC 40W Motor ventilator Motor ventilator de tavan seria wo60
×
Tensiune dublă 230VAC/12VDC într-o singură unitate pentru sistemul de alimentare cu panouri solare din zona îndepărtată Seria W70 cu carcasă metalică
Caracteristicile produsului:
Suport de dublă tensiune pentru surse flexibile de alimentare
Proiectat cu o carcasă metalică durabilă pentru o protecție sporită
Ideal pentru sistemele cu energie solară
Performanță de încredere în zone îndepărtate
Tensiune dublă 230VAC/12VDC într-o singură unitate pentru sistemul de alimentare cu panouri solare din zona îndepărtată Seria W70 cu carcasă metalică
