Atrage atenția largă din partea comercianților chinezi și străini La începutul iernii...
află mai multedescrie
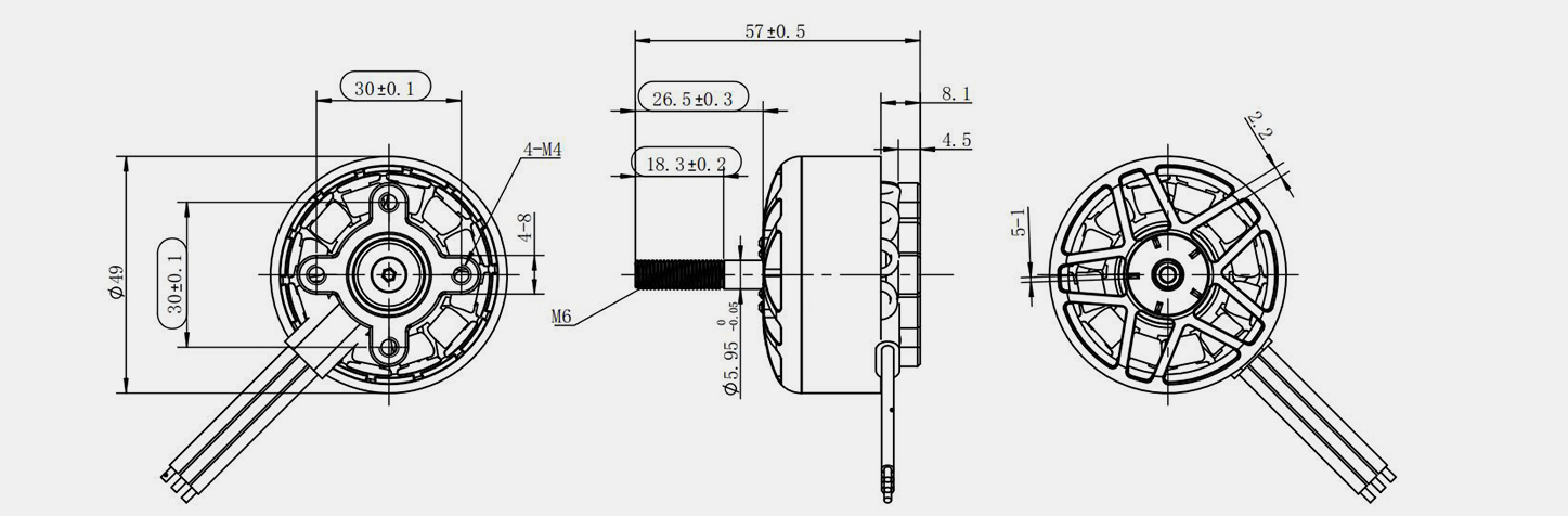
Motorul fără perii LN4214 380KV 6-85 UAV este un motor de înaltă performanță conceput special pentru dronele de curse de 13 inchi. Folosind tehnologia motorului fără perii, oferă eficiență, stabilitate și fiabilitate, permițând o funcționare de lungă durată sub sarcină grea, îndeplinind cerințele de putere ale dronelor de curse profesionale.
Eficiență ridicată: tehnologia motorului fără perii reduce frecarea mecanică, sporind eficiența.
Stabilitate puternică: Viteza de 380KV și cuplul ridicat asigură o stabilitate remarcabilă în timpul curselor.
Durabilitate: Designul optimizat permite motorului să reziste la funcționarea prelungită la sarcină mare, potrivit pentru condiții de zbor intense.
Compatibilitate puternică: Proiectat pentru drone de 13 inchi, oferind un control precis al puterii pentru performanțe excelente de zbor.
Motorul fără perii LN4214 380KV 6-85 UAV este utilizat pe scară largă în dronele de curse, în special în cele cu un cadru de 13 inchi. Este ideal pentru evenimente de curse cu drone de mare intensitate. Cu eficiența sa ridicată și puterea sa puternică, oferă răspuns rapid și control precis, asigurând stabilitatea și viteza zborului.
Retek
domeniu de aplicare
întreba
| Spec. electrice. | |||||||||||||||||||||||||||
| Max. P (W) | Tensiune (V) | Max. eu. A) | KV | Curent fără sarcină (A) | Rezistenta (mΩ) | Polonii | Dim. motor (mm) | Dim. stator. (mm) | Montare (mm) | N.W. (g) | Prop. (inch) | ||||||||||||||||
| 2121 | 24 | 34 | 380 | 1.5 | 576 | 14 | φ49*32,5 | φ42*14 | M4-30*30 | 235 | 13"~15" | ||||||||||||||||
| Date de testare a impulsului | |||||||||||||||||||||||||||
| Elice | Valoarea KV | Accelerație (%) | Tensiune (V) | Curent (A) | Viteza (RPM) | Forța de împingere (KG) | Cuplu (N.M) | Putere de intrare (W) | Eficiență (G/W) | ||||||||||||||||||
| GEMFAN 1308*3 | 380kV | 10% | 24 | 0.184 | 859 | 0.0279 | 0.010 | 4.4 | 6.309 | ||||||||||||||||||
| 20% | 23.99 | 0.623 | 1788 | 0.1207 | 0.031 | 14.9 | 8.082 | ||||||||||||||||||||
| 30% | 23.99 | 1.437 | 2708 | 0.2961 | 0.072 | 34.5 | 8.600 | ||||||||||||||||||||
| 40% | 23.98 | 2.588 | 3536 | 0.5128 | 0.116 | 62 | 8.278 | ||||||||||||||||||||
| 50% | 23.96 | 4.434 | 4393 | 0.7981 | 0.179 | 106.2 | 7.525 | ||||||||||||||||||||
| 60% | 23.94 | 7.498 | 5286 | 1.1673 | 0.258 | 179.5 | 6.508 | ||||||||||||||||||||
| 70% | 23.92 | 11.142 | 6106 | 1.5620 | 0.344 | 266.5 | 5.864 | ||||||||||||||||||||
| 80% | 23.89 | 15.405 | 6835 | 1.9759 | 0.433 | 368 | 5.370 | ||||||||||||||||||||
| 90% | 23.85 | 20.898 | 7573 | 2.4480 | 0.534 | 498.5 | 4.911 | ||||||||||||||||||||
| 100% | 23.81 | 26.668 | 8213 | 2.8856 | 0.630 | 635.1 | 4.544 | ||||||||||||||||||||
| GEMFAN 1310*3 | 380kV | 10% | 24.01 | 0.18 | 847 | 0.0239 | 0.014 | 4.3 | 5.539 | ||||||||||||||||||
| 20% | 24 | 0.708 | 1781 | 0.1251 | 0.042 | 17 | 7.367 | ||||||||||||||||||||
| 30% | 23.99 | 1.668 | 2664 | 0.3160 | 0.093 | 40 | 7.900 | ||||||||||||||||||||
| 40% | 23.98 | 3.104 | 3458 | 0.5413 | 0.152 | 74.4 | 7.278 | ||||||||||||||||||||
| 50% | 23.96 | 5.481 | 4293 | 0.8513 | 0.2310 | 131.3 | 6.490 | ||||||||||||||||||||
| 60% | 23.99 | 9.362 | 5159 | 1.2510 | 330 | 224.1 | 5.585 | ||||||||||||||||||||
| 70% | 23.98 | 13.856 | 5924 | 1.6492 | 0.437 | 331.3 | 4.979 | ||||||||||||||||||||
| 80% | 23.95 | 19.353 | 6644 | 2.1044 | 0.549 | 462 | 4.555 | ||||||||||||||||||||
| 90% | 23.93 | 25.502 | 7287 | 2.5593 | 0.666 | 607.8 | 4.211 | ||||||||||||||||||||
| 100% | 23.88 | 32.034 | 7869 | 2.9946 | 0.768 | 762.1 | 3.929 | ||||||||||||||||||||
| GEMFAN 1310*3 | 640kV | 10% | 24.81 | 0.409 | 1336 | 0.0768 | 0.0299 | 9.8000 | 7.8180 | ||||||||||||||||||
| 20% | 23.73 | 1.865 | 2708 | 0.3374 | 0.1001 | 44.7000 | 7.5440 | ||||||||||||||||||||
| 30% | 23.63 | 4.803 | 3946 | 0.7408 | 0.2051 | 115.0000 | 6.4420 | ||||||||||||||||||||
| 40% | 23.53 | 9.285 | 5007 | 1.2049 | 0.3214 | 222.2000 | 5.4240 | ||||||||||||||||||||
| 50% | 23.42 | 17.318 | 6131 | 1.8117 | 0.4789 | 413.5000 | 4.3840 | ||||||||||||||||||||
| 60% | 23.5 | 28.207 | 7158 | 2.4977 | 0.6519 | 671.5000 | 3.7200 | ||||||||||||||||||||
| 70% | 23.62 | 40.854 | 8027 | 3.1604 | 0.8238 | 969.3000 | 3.2610 | ||||||||||||||||||||
| 80% | 23.67 | 58.755 | 8840 | 3.8649 | 1.0092 | 1388.3000 | 2.7840 | ||||||||||||||||||||
| 90% | 23. | 73.77 | 9411 | 4.3715 | 1.1529 | 1736.0000 | 2.5180 | ||||||||||||||||||||
| 100% | 23.7 | 90.573 | 9878 | 4.8917 | 1.2935 | 2121.3000 | 2.3060 | ||||||||||||||||||||
Vă rugăm să introduceți informațiile dumneavoastră.
Indiferent dacă doriți să deveniți partenerul nostru sau aveți nevoie de îndrumarea sau asistența noastră profesională în selecția produselor și rezolvarea problemelor, echipa noastră de experți este gata să vă ajute în întreaga lume, în termen de 12 ore!
Atrage atenția largă din partea comercianților chinezi și străini La începutul iernii...
află mai multeExpoziția internațională pentru economie la altitudine joasă din Guangzhou din 2025 se va deschid...
află mai multeAnvelopa de performanță a vehiculelor aeriene fără pilot (UAV) este strict definită de sistemele ...
află mai multeRecent, o delegație de clienți cheie europeni a făcut o vizită specială companiei noastre pentru ...
află mai multeÎnțelegerea ce a Motor DC fără miez Oferte cu adevărat De ce inginerii trec la modele f...
află mai multeMotoarele noastre de drone debutează la Expo militar-civilă din Shenzhen, ...
află mai multe